Technical wiring diagrams and connector pinouts. Click any diagram to view full size.
Click on any diagram below to view it in full resolution. Perfect for reference during your wiring projects.
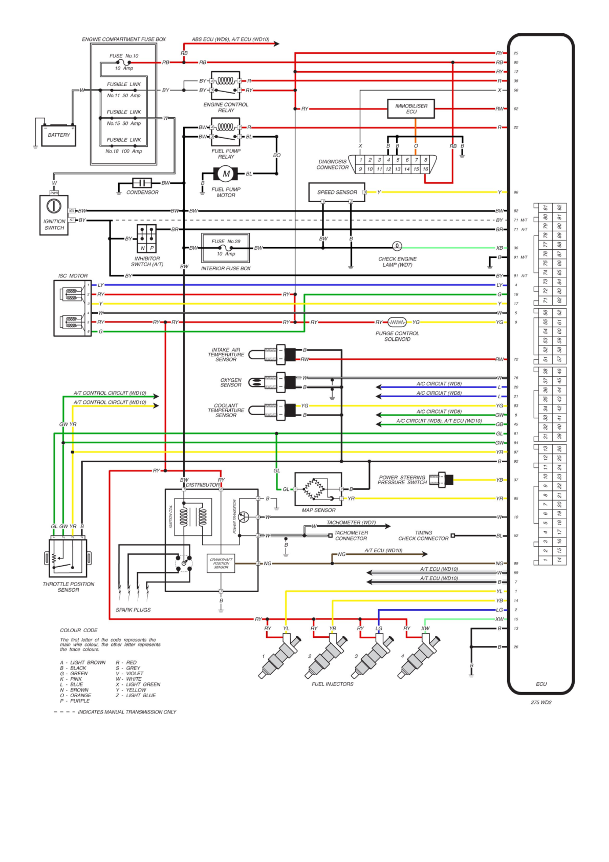
Complete Wiring Diagram
Complete Wiring Diagram
ECU Connector Pinout Diagram
For custom wiring solutions, ECU services, or specific technical questions, please get in touch with our team.
Contact Us